Вал головного зчеплення для трактора Т-16
Вал колінчатий для двигуна Д-21
Головка циліндра. Поршні і шатуни для двигуна Д-21
Двигун Д-21
Електрообладнання для двигуна Д-21
Зчеплення для трактора Т-16
Каркас з панелями для трактора Т-16
Картер масляний. Насос масляний для двигуна Д-21
Коробка передач і диференціал Т-16
Міст передній для трактора Т-16
Паливний насос та паливопроводи Д-21
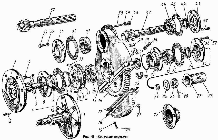
Передача бортова для трактора Т-16
Привід гідронасоса для трактора Т-16
Розподільний вал. Штовхачі клапанів для двигуна Д-21
Рукав лівий і правий з гальмом для трактора Т-16
Скло Т-16
Ступиця переднього колеса і переднє колесо для трактора Т-16
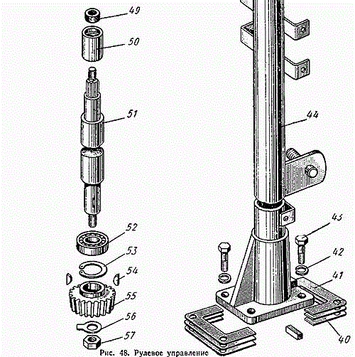
Управління гідравлічне рульове для трактора Т-16
Фільтруючі елементи для двигуна Д-21